fiat hitachi w270 wiring diagram

Fiat Kobelco Repair - Heavy Line & Engines, FIAT KOBELCO Industrial. 35 Pictures about Fiat Kobelco Repair - Heavy Line & Engines, FIAT KOBELCO Industrial : fiat hitachi w270 wiring diagram repair manual – Best Manuals, Hitachi Alternator Wiring Connections | Best Diagram Collection and also Hitachi 80 Amp Alternator Wiring Diagram - Wiring Diagram.

Fiat Kobelco Repair - Heavy Line & Engines, FIAT KOBELCO Industrial

Fiat Kobelco Repair - Heavy Line & Engines, FIAT KOBELCO Industrial www.obd2be.com

kobelco obd2be

Motor Swap Wiring Issues - Talking Tractors - Simple TrACtors

motor swap wiring issues - Talking Tractors - Simple trACtors simpletractors.com

wiring swap issues motor diagram draws hopefully anything running lot re

G 5200 Suddenly Won’t Turn Over.… | OrangeTractorTalks - Everything Kubota

G 5200 suddenly won’t turn over.… | OrangeTractorTalks - Everything Kubota www.orangetractortalks.com

wiring g5200 suddenly kubota orangetractortalks

30 Hitachi Alternator Wiring Diagram - Wiring Diagram Niche

30 Hitachi Alternator Wiring Diagram - Wiring Diagram Niche dominicluta.blogspot.com

alternator wiring diagram hitachi datsun ir conversion tech wiki 1200 club

Wiring Diagram Info: 22 Hitachi Alternator Wiring Diagram

Wiring Diagram Info: 22 Hitachi Alternator Wiring Diagram whatmindsaid.blogspot.com

hitachi gsb107 tcm

Fiat Kobelco W270 EVOLUTION - 2

Fiat Kobelco W270 EVOLUTION - 2 www.autodocs.info

fiat w270 kobelco evolution main

W170 - FIAT-HITACHI WHEEL LOADER (6/98-9/03) 03 - CONVERTER

W170 - FIAT-HITACHI WHEEL LOADER (6/98-9/03) 03 - CONVERTER nh-part.com

loader w170 epc converter

Wiring Diagram For Old Tractor - Wiring Diagram Schemas

Wiring Diagram For Old Tractor - Wiring Diagram Schemas wiringschemas.blogspot.com

diagram wiring fiat tractor

3204 VEHICULAR ENGINE Caterpillar

3204 VEHICULAR ENGINE Caterpillar ch-part.com

disconnect loaders switch

36 Hitachi Alternator Wiring - Wiring Diagram Online Source

36 Hitachi Alternator Wiring - Wiring Diagram Online Source sitzone.blogspot.com

wiring hitachi datsun

Fiat 80 90 Wiring Diagram - Wiring Diagram & Schemas

Fiat 80 90 Wiring Diagram - Wiring Diagram & Schemas wiringideas.blogspot.com

excavator zx130

Fiat Hitachi Wheel Loaders / Dozers. Repair Manuals Download. Wiring

Fiat Hitachi Wheel Loaders / Dozers. repair manuals download. wiring auto-files.com

hitachi dozers

Wiring Diagram PDF: 12v Hitachi Alternator Wiring Diagram

Wiring Diagram PDF: 12v Hitachi Alternator Wiring Diagram wiring-pdf.blogspot.com

hitachi lr180 03c patentimages

3100 HEUI Engine Harness Wiring Diagram – 3116 | Caterpillar Engines

3100 HEUI Engine Harness Wiring Diagram – 3116 | Caterpillar Engines www.catengine.info

heui peterbilt

Yanmar Hitachi Alternator Wiring Diagram - Wiring Schema

Yanmar Hitachi Alternator Wiring Diagram - Wiring Schema wiringschema101.blogspot.com

alternator diagram wiring hitachi charging diode system hp briggs schema circuit regulator connection yanmar wire gm voltage battery isolation training

Fiat Hitachi W270 Wiring Diagram Repair Manual – Best Manuals

fiat hitachi w270 wiring diagram repair manual – Best Manuals www.reliable-store.com

fiat hitachi manual wiring diagram w270 repair

Hitachi Alternator Wiring Diagram - Database - Wiring Diagram Sample

Hitachi Alternator Wiring Diagram - Database - Wiring Diagram Sample faceitsalon.com

hitachi cruisersforum

Loader Kobelco Wiring Diagram - Wiring Diagram

Loader Kobelco Wiring Diagram - Wiring Diagram wiring121.blogspot.com

kobelco

Hitachi 80 Amp Alternator Wiring Diagram - Wiring Diagram

Hitachi 80 Amp Alternator Wiring Diagram - Wiring Diagram wiringdiagram101.blogspot.com

alternator selector denso schaltplan midget easywiring bose

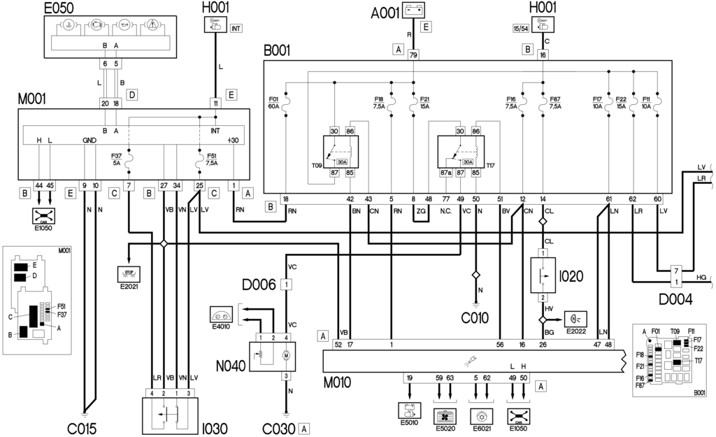
E5010 STARTING AND RECHARING - WIRING DIAGRAM (MANUAL GEARBOX) - Fiat

E5010 STARTING AND RECHARING - WIRING DIAGRAM (MANUAL GEARBOX) - Fiat 4cardata.info

4cardata

Hitachi Alternator Wiring Diagram - Database - Wiring Diagram Sample

Hitachi Alternator Wiring Diagram - Database - Wiring Diagram Sample faceitsalon.com

wiring hitachi farmallcub

Ach550 Wiring Diagram

Ach550 Wiring Diagram schematron.org

diagram wiring ach550 terminals wires individual connect drive control

79098184 New Holland RELAY

79098184 New Holland RELAY nh-part.com

Hitachi Alternator No Output - Cruisers & Sailing Forums

Hitachi alternator no output - Cruisers & Sailing Forums www.cruisersforum.com

alternator 3gm30 yanmar

Hitachi Alternator Wiring Connections | Best Diagram Collection

Hitachi Alternator Wiring Connections | Best Diagram Collection www.mikrora.com

alternator hitachi valeo schematic tonetastic reyhan

WIRING DIAGRAM-24 Volt System D4D TRACK-TYPE TRACTOR | AVSpare.com

WIRING DIAGRAM-24 Volt System D4D TRACK-TYPE TRACTOR | AVSpare.com avspare.com

d4d

Loader Kobelco Wiring Diagram - Wiring Diagram

Loader Kobelco Wiring Diagram - Wiring Diagram wiring121.blogspot.com

kobelco wiring

E5050 DIESEL ENGINES ELECTRONIC MANAGEMENT - WIRING DIAGRAM - Fiat

E5050 DIESEL ENGINES ELECTRONIC MANAGEMENT - WIRING DIAGRAM - Fiat 4cardata.info

4cardata stilo

Hitachi Starter Generator Wiring Diagram

Hitachi Starter Generator Wiring Diagram quentinspeaks.blogspot.com

lanlord chalmers allis diagrams 10hp

E5030 PETROL ENGINE ELECTRONIC MANAGEMENT - WIRING DIAGRAM - Fiat

E5030 PETROL ENGINE ELECTRONIC MANAGEMENT - WIRING DIAGRAM - Fiat 4cardata.info

wiring 4cardata

Fiat 80 90 Wiring Diagram - Wiring Diagram & Schemas

Fiat 80 90 Wiring Diagram - Wiring Diagram & Schemas wiringideas.blogspot.com

hitachi excavator ex1200

Wiring Diagram PDF: 12v Hitachi Alternator Wiring Diagram

Wiring Diagram PDF: 12v Hitachi Alternator Wiring Diagram wiring-pdf.blogspot.com

wiring hitachi

49 Hitachi Alternator Wiring Diagram - Wiring Diagram Plan

49 Hitachi Alternator Wiring Diagram - Wiring Diagram Plan rebablakuf.blogspot.com

hitachi yanmar imageservice sensed

Hitachi Starter Generator Wiring Diagram

Hitachi Starter Generator Wiring Diagram hestiahelper.blogspot.com

yanmar harnes hitachi 2gm helper schematic

Charging System On White Tractor - Diagram Attached - CattleToday.com

Charging System on White Tractor - Diagram attached - CattleToday.com www.cattletoday.com

fiat wiring diagram 1976 diagrams alternator spider tractor 124 mirafiori faq charging system circuit speedometer 1971 cattletoday 20wiring 20spider 20diagrams

Kobelco wiring. Wiring 4cardata. Fiat hitachi manual wiring diagram w270 repair