fiat panda 169 wiring diagram

Fiat panda 1.1 2009 cigarette lighter - Motor Vehicle Maintenance. 8 Pics about Fiat panda 1.1 2009 cigarette lighter - Motor Vehicle Maintenance : Schaltplan Fiat Panda 169 - Wiring Diagram, Fiat Panda Wiring Diagram Download - Wiring Diagram & Schemas and also Schaltplan Fiat Panda 169.

Fiat Panda 1.1 2009 Cigarette Lighter - Motor Vehicle Maintenance

Fiat panda 1.1 2009 cigarette lighter - Motor Vehicle Maintenance mechanics.stackexchange.com

fiat panda lighter cigarette fuse location 2009 relay owner manual shows figure

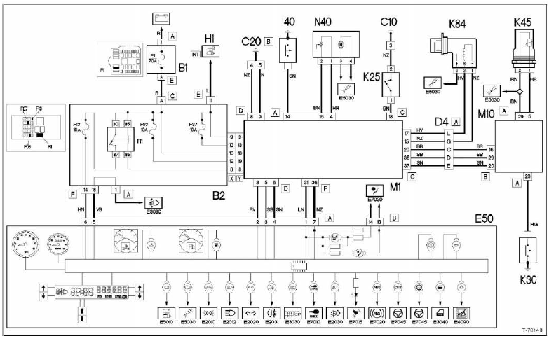
[44+] Schema Elettrico Fiat Panda 169

[44+] Schema Elettrico Fiat Panda 169 real-487.blogspot.com

marelli panda centralina magneti twinamic

[36+] Schema Elettrico Body Computer Fiat Panda 169

[36+] Schema Elettrico Body Computer Fiat Panda 169 100ampel60.blogspot.com

schema elettrico fusibili fari anabbaglianti riparare vano fili elettrodomestici riparazione crisi autoriparazione

Schaltplan Fiat Panda 169 - Wiring Diagram

Schaltplan Fiat Panda 169 - Wiring Diagram facybulka.me

schaltplan stromlaufplan abblendlicht zentralverriegelung schaltzeichen reparaturanleitung

FIAT Car Radio Stereo Audio Wiring Diagram Autoradio Connector Wire

FIAT Car Radio Stereo Audio Wiring Diagram Autoradio connector wire www.tehnomagazin.com

fiat wiring radio stereo panda connector autoradio schema blaupunkt diagram bosch esquema bravo 500 audio 2007 connecteur code cable a08

Schaltplan Fiat Panda 169

Schaltplan Fiat Panda 169 badspiegelschrank.blogspot.com

triangle linea avaria

[Get 43+] Schema Elettrico Body Computer Fiat Panda

[Get 43+] Schema Elettrico Body Computer Fiat Panda kikya131.blogspot.com

stilo centralina panda riparare

Fiat Panda Wiring Diagram Download - Wiring Diagram & Schemas

Fiat Panda Wiring Diagram Download - Wiring Diagram & Schemas wiringideas.blogspot.com

fiat wiring diagram panda punto lights subwoofer doblo 2006 towbar tail help standard grande sporting amp mk2 schemas connect ii

[44+] schema elettrico fiat panda 169. Schaltplan fiat panda 169. [get 43+] schema elettrico body computer fiat panda