fj cruiser wiring schematic

wiring diagram for car: Power Coming Switch Lights Series. 18 Images about wiring diagram for car: Power Coming Switch Lights Series : fog light switch - YotaTech Forums, Duplex System Stop Light Switch Wiring Diagram of 2007 Toyota FJ Cruiser and also What did you do TO your FJ Cruiser TODAY? - Page 4155 - Toyota FJ.

Wiring Diagram For Car: Power Coming Switch Lights Series

wiring diagram for car: Power Coming Switch Lights Series carwirring.blogspot.com

switch way three diagram animation dc current flow wiring showing circuit switches lights series electrical diagrams electricity power animations coming

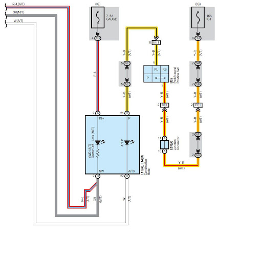
Duplex System Stop Light Switch Wiring Diagram Of 2007 Toyota FJ Cruiser

Duplex System Stop Light Switch Wiring Diagram of 2007 Toyota FJ Cruiser otomotifbaru.blogspot.com

wiring light fj cruiser 2007 switch toyota stop diagram duplex system

Please Check My Wiring Diagram - Page 2 - Toyota FJ Cruiser Forum

Please Check my Wiring Diagram - Page 2 - Toyota FJ Cruiser Forum www.fjcruiserforums.com

wiring diagram check please

71 Chevy Truck Wiper Wiring Diagram - Wiring Diagram Networks

71 Chevy Truck Wiper Wiring Diagram - Wiring Diagram Networks kelvin-okl.blogspot.com

fj40 ih8mud hzj75 landcruiser diagrams wiper autozone econtent

Fog Light Switch - YotaTech Forums

fog light switch - YotaTech Forums www.yotatech.com

diagram hella wiring light driving fog switch toyota fj arb

Lefty Install: Wiring Question? | Toyota FJ Cruiser Forum

Lefty Install: Wiring Question? | Toyota FJ Cruiser Forum www.fjcruiserforums.com

lefty

What Did You Do TO Your FJ Cruiser TODAY? - Page 4155 - Toyota FJ

What did you do TO your FJ Cruiser TODAY? - Page 4155 - Toyota FJ www.fjcruiserforums.com

fj cruiser did today

Dome Light Diode Fried | IH8MUD Forum

Dome Light Diode Fried | IH8MUD Forum forum.ih8mud.com

diode circuit ih8mud diodes panel dug

FJ DIY

FJ DIY redlinelandcruisers.com

31 Fj Cruiser Subwoofer Wiring Diagram - Wiring Diagram Database

31 Fj Cruiser Subwoofer Wiring Diagram - Wiring Diagram Database kovodym.blogspot.com

fj cruiser diagram wiring toyota 2008 electrical subwoofer presents

FJ40 Wiring Diagrams

FJ40 Wiring Diagrams www.pinterest.com

ih8mud

Land Cruiser Wiring Harnes

Land Cruiser Wiring Harnes hestiahelper.blogspot.com

harnes

Fj45 Wiring Diagram

Fj45 Wiring Diagram funnyhacklife.blogspot.com

fj45 fj40

Repair-manuals: Toyota Land Cruiser FJ55 1962-70 Wiring Diagrams

repair-manuals: Toyota Land Cruiser FJ55 1962-70 Wiring Diagrams repair-manuals.blogspot.com

cruiser land wiring toyota fj55 diagram 1962 diagrams landcruiser

FJ Wiring Question | Toyota FJ Cruiser Forum

FJ Wiring Question | Toyota FJ Cruiser Forum www.fjcruiserforums.com

fj

FJ40 Wiring Diagrams - Land Cruiser Tech From IH8MUD.com

FJ40 Wiring Diagrams - Land Cruiser Tech from IH8MUD.com www.ih8mud.com

wiring ih8mud tech drawing

Repair-manuals: Toyota Land Cruiser FJ40 1974 Wiring Diagrams

repair-manuals: Toyota Land Cruiser FJ40 1974 Wiring Diagrams repair-manuals.blogspot.com

wiring toyota fj40 diagram cruiser land 1974 manuals repair diagrams 1973 landcruiser info

1969 Fj40 Wiring Diagram

1969 Fj40 Wiring Diagram wiringall.com

fj40 wiringall

Fj40 wiring diagrams. 71 chevy truck wiper wiring diagram. Fj40 ih8mud hzj75 landcruiser diagrams wiper autozone econtent