focus tach wiring diagram

Aftermarket Tach Wiring Diagram - Fuse & Wiring Diagram. 16 Images about Aftermarket Tach Wiring Diagram - Fuse & Wiring Diagram : [DIAGRAM] Adt Focus Wiring Diagram, Sl550 07 Fuse Box Diagram / Fuse Box For 2008 Dodge Caliber - Wiring and also 2000 Ford Ranger Wiring Diagram - Diagram For You.

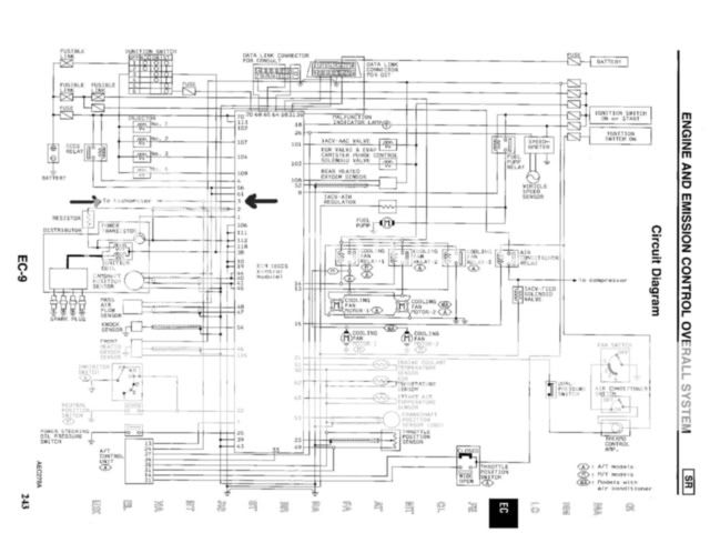
Aftermarket Tach Wiring Diagram - Fuse & Wiring Diagram

Aftermarket Tach Wiring Diagram - Fuse & Wiring Diagram fusewiring.blogspot.com

tach aftermarket turnkey

44 Msd Street Fire Wiring Diagram - Wiring Diagram Harness Info

44 Msd Street Fire Wiring Diagram - Wiring Diagram Harness Info kmallco.blogspot.com

msd 911sc steet

Dodge D100 Wiring Diagram - Wiring Diagram

Dodge D100 Wiring Diagram - Wiring Diagram wiringdiagram.2bitboer.com

The Only Light That Comes On On The Dash When The Key Is In Start

The only light that comes on on the dash when the key is in start www.justanswer.com

honda civic fuse wiring diagram 2009 radio fuel signal cluster instrument box pump light position start 1995 stereo lights interior

Shifty Business: How To Install A Shift-Light Tach - OnAllCylinders

Shifty Business: How to Install A Shift-Light Tach - OnAllCylinders www.onallcylinders.com

tach shift tachometer shifty onallcylinders racingjunk

MS And EFI Clocks Rev Counter Wiring - PassionFord - Ford Focus, Escort

MS and EFI clocks Rev counter wiring - PassionFord - Ford Focus, Escort passionford.com

efi

Air Temp Gauge Wiring?? - PassionFord - Ford Focus, Escort & RS Forum

air temp gauge wiring?? - PassionFord - Ford Focus, Escort & RS Forum passionford.com

wiring gauge

Ford Windshield Wiper Motor Wiring Diagram - Wiring Diagram

Ford Windshield Wiper Motor Wiring Diagram - Wiring Diagram cars-trucks24.blogspot.com

wiring cj

[DIAGRAM] Adt Focus Wiring Diagram

[DIAGRAM] Adt Focus Wiring Diagram diagramfactory.blogspot.com

adt faint

Home Made Digital Tachometer For My Car With Gear Shift Warning LED

Home Made Digital Tachometer for my Car with Gear Shift Warning LED www.elakiri.com

led shift warning gear ecu unit play tachometer

2000 Ford Ranger Wiring Diagram - Diagram For You

2000 Ford Ranger Wiring Diagram - Diagram For You kibodeclanchester.blogspot.com

wiring bronco starter crankshaft

Sl550 07 Fuse Box Diagram / Fuse Box For 2008 Dodge Caliber - Wiring

Sl550 07 Fuse Box Diagram / Fuse Box For 2008 Dodge Caliber - Wiring kenaripathzz.blogspot.com

CBR250R Gauge Cluster On Crf250L (tach ?) Anyone Done It ? - Page 2

CBR250R gauge cluster on crf250L (tach ?) anyone done it ? - Page 2 www.thumpertalk.com

cbr250r tach crf250l thumpertalk

Wiring Diagram Gallery: 2005 Ford Focus Wiring Harness Diagram

Wiring Diagram Gallery: 2005 Ford Focus Wiring Harness Diagram wiringdiagramworkshop.blogspot.com

alternator yenpancane xplod jeanjaures37

Ignition Coil Wiring Diagram Ford - Car Ignition System Wiring Diagram

Ignition Coil Wiring Diagram Ford - Car Ignition System Wiring Diagram mayarenner.blogspot.com

resistor ballast imageservice tankbig f100

Tired Of This Focus!!! Dash Lights Come On And Off And Car Jerks Like

Tired of this Focus!!! Dash lights come on and off and car jerks like www.justanswer.com

relay ford 2001 ranger starter focus windshield beam wiring zts lights wipers dash headlights where working engine tired 2007 2009

Honda civic fuse wiring diagram 2009 radio fuel signal cluster instrument box pump light position start 1995 stereo lights interior. Aftermarket tach wiring diagram. Shifty business: how to install a shift-light tach