fog lamps ford wiring manuals

2003 Ford Escort - Wiring Diagrams. 9 Pics about 2003 Ford Escort - Wiring Diagrams : 1966 Mustang Fog Lamp Switch Wiring Diagram - Diagram Database, Ford Workshop Manuals > Focus 1999 (08.1998-12.2004) > Mechanical and also 1966 Mustang Fog Lamp Switch Wiring Diagram - Diagram Database.

2003 Ford Escort - Wiring Diagrams

2003 Ford Escort - Wiring Diagrams www.autorepairmanuals.biz

diagrams escort wiring 2003 ford enlarge

Ford Workshop Manuals > Streetka 2003.5 (01.2003-07.2005) > Mechanical

Ford Workshop Manuals > Streetka 2003.5 (01.2003-07.2005) > Mechanical workshop-manuals.com

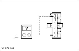
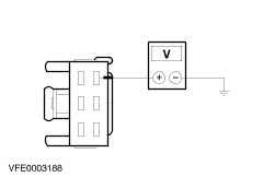
manuals workshop ford lighting 2003 2005 repairs diagnosis mechanical operation testing electrical exterior heater module control check a18 streetka

Ford Workshop Manuals > Streetka 2003.5 (01.2003-07.2005) > Mechanical

Ford Workshop Manuals > Streetka 2003.5 (01.2003-07.2005) > Mechanical workshop-manuals.com

manuals workshop ford fog lighting 2003 2005 diagnosis repairs mechanical operation testing electrical exterior circuit vt 14s streetka resistance measure

Ford Edge Engine Wire Diagram - Wiring Diagram

Ford Edge Engine Wire Diagram - Wiring Diagram cars-trucks24.blogspot.com

ford diagram edge engine wire wiring 2004 resources digital

05 Corolla Fog Light Wiring Diagram - Wiring Diagram Schemas

05 Corolla Fog Light Wiring Diagram - Wiring Diagram Schemas sightronscopes.blogspot.com

corolla rx8club

1966 Mustang Fog Lamp Switch Wiring Diagram - Diagram Database

1966 Mustang Fog Lamp Switch Wiring Diagram - Diagram Database carsdiagram.blogspot.com

1966

Fog Lamp Wiring Diagram With Relay - Xdomingues.blogspot.com

Fog Lamp Wiring Diagram With Relay - xdomingues.blogspot.com xdomingues.blogspot.com

fog relay schematics

Ford Workshop Manuals > Focus 1999 (08.1998-12.2004) > Mechanical

Ford Workshop Manuals > Focus 1999 (08.1998-12.2004) > Mechanical workshop-manuals.com

manuals workshop ford lighting repairs diagnosis mechanical operation testing 1998 electrical 1999 focus exterior 2004 fog voltage

Ford Workshop Manuals > Transit 2006.5 (04.2006-) > Mechanical Repairs

Ford Workshop Manuals > Transit 2006.5 (04.2006-) > Mechanical Repairs workshop-manuals.com

manuals workshop ford lighting 2006 transit repairs diagnosis mechanical operation testing electrical exterior

Ford edge engine wire diagram. Fog relay schematics. Manuals workshop ford lighting repairs diagnosis mechanical operation testing 1998 electrical 1999 focus exterior 2004 fog voltage