for sa 200 wiring schematics

SA250 WIRING. 17 Images about SA250 WIRING : Lincoln Sa 200 Parts Diagram - Wiring Diagram, SA250 WIRING and also Generator Exciter Wiring Diagram.

SA250 WIRING

SA250 WIRING billswelderrepair.com

sa250 generator wiring schematic internals

Pilot SA-232 Schematic Needed | Audiokarma Home Audio Stereo Discussion

Pilot SA-232 schematic needed | Audiokarma Home Audio Stereo Discussion www.audiokarma.org

pilot 232 schematic sa express techtalk needed parts stereo doesn came come case where audio

Lincoln Electric PERKINS SA-250 User Manual | Page 22 / 28

Lincoln Electric PERKINS SA-250 User Manual | Page 22 / 28 www.manualsdir.com

lincoln sa perkins electric

Lincoln Electric Sa-200 Part - AzariahSomers's Blog

Lincoln electric sa-200 part - AzariahSomers's blog azariahsomers.typepad.com

lincoln 200 sa parts electric welder replacement bosch arc descriptions common most

Alternator Welder Wiring Diagram - Wiring Diagram Networks

Alternator Welder Wiring Diagram - Wiring Diagram Networks kelvin-okl.blogspot.com

alternator diagram cs130 delco roading

I Remember My First Sa-200... - Page 2

I remember my first sa-200... - Page 2 weldingweb.com

sa remember rebuilt selector switch got today

Antique Radio Forums • View Topic - Wireless Specialty Triode Type B

Antique Radio Forums • View topic - Wireless Specialty Triode Type B antiqueradios.com

501a wsa triode kib

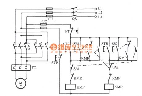
Index 510 - Circuit Diagram - SeekIC.com

Index 510 - Circuit Diagram - SeekIC.com www.seekic.com

circuit diagram inching reversing switch seekic limit switches electromotor phase automatic

G&L Wiring Diagrams And Schematics

G&L Wiring Diagrams and Schematics www.bassesbyleo.com

wiring asat diagrams l2000 bass schematic

Generator Exciter Wiring Diagram

Generator Exciter Wiring Diagram bowtieguy79256.blogspot.com

brushless excitation exciter

Wiring Diagram F 163 Continental Welder - Wiring Diagram And Schematics

Wiring Diagram F 163 Continental Welder - Wiring Diagram And Schematics www.diagramschematics.us

wiring diagram welder continental sa lincoln

Sabb Diesel Engine Manuals - MARINE DIESEL BASICS

Sabb Diesel Engine Manuals - MARINE DIESEL BASICS www.marinedieselbasics.com

sabb marinedieselbasics

Lincoln Vacuum Diagram - Wiring Diagram

Lincoln Vacuum Diagram - Wiring Diagram wiring121.blogspot.com

lincoln continental vacuum 1968 diagram maintenance oem repair manual ac

Sabb Diesel Engine Manuals - MARINE DIESEL BASICS

Sabb Diesel Engine Manuals - MARINE DIESEL BASICS www.marinedieselbasics.com

sabb

Konzert Amplifier 502 Schematic Diagram - 502b KONZERT AMPLIFIER

Konzert Amplifier 502 Schematic Diagram - 502b KONZERT AMPLIFIER rotork-wiring-diagram.blogspot.com

konzert slatic rotork

Lincoln Sa 200 Parts Diagram - Wiring Diagram

Lincoln Sa 200 Parts Diagram - Wiring Diagram jumpstarterdiscount.blogspot.com

welding machinet wrg

Direct Conversion Receiver: Making Friends With The Signetics SA602

Direct Conversion Receiver: making friends with the Signetics SA602 frrl.wordpress.com

sa602 signetics friends making frrl receiver conversion direct tuned l1 rough circuit provide c6 c7 pins tank end into

Sabb diesel engine manuals. Lincoln sa perkins electric. Sabb marinedieselbasics