ford 2000 tractor hydraulic diagram

Ford 6600 Tractor Wiring Diagram : Ford 5000 Power Steering Diagram. 17 Pictures about Ford 6600 Tractor Wiring Diagram : Ford 5000 Power Steering Diagram : 4000 Series Ford - Hydraulics - TractorShed.com, FORD 2000 3000 4000 2600 3600 4600 5600 6600 HYDRAULIC HYD FILTER and also Ford 4000 Hydraulic System Diagram - Free Diagram For Student.

Ford 6600 Tractor Wiring Diagram : Ford 5000 Power Steering Diagram

Ford 6600 Tractor Wiring Diagram : Ford 5000 Power Steering Diagram schematicdiagram75.blogspot.com

Ford Tractor Hydraulic Diagram | Ford 860 Hydraulic Fluid Around Gear

Ford Tractor Hydraulic Diagram | ford 860 hydraulic fluid around gear www.pinterest.com

ford tractors tools tractor 8n manzel hydraulic ntractorclub misc 2n 9n released fluid tool previously 3n antique drag king road

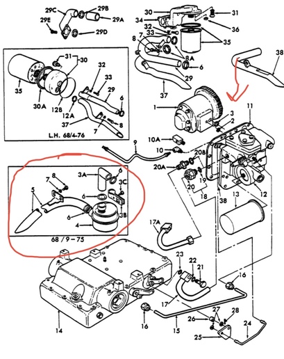
Ford 600 Tractor Hydraulic Diagram - Free Wiring Diagram

Ford 600 Tractor Hydraulic Diagram - Free Wiring Diagram tianpinyt.blogspot.com

hydraulics hyd

[HY_3330] Ford 2000 Tractor Hydraulic Diagram Free Diagram

[HY_3330] Ford 2000 Tractor Hydraulic Diagram Free Diagram over.jebrp.mohammedshrine.org

steering 8n column 9n

I Need Detailed Instructions With Pictures And Diagrams On How To

I need detailed instructions with pictures and diagrams on how to www.justanswer.com

hydraulic ford 4000 filter tractor location 2000 change farm holland equipment diagrams instructions detailed need agriculture source justanswer 1973 question

43 HYDRAULIC SYSTEM FORD 5000 TRACTOR - HydraulicSystem

43 HYDRAULIC SYSTEM FORD 5000 TRACTOR - HydraulicSystem hydraulicsystem1-1.blogspot.com

lcg

Ford 4000 Hydraulic System Diagram - Free Diagram For Student

Ford 4000 Hydraulic System Diagram - Free Diagram For Student diagramresource.blogspot.com

Ford 3000 Hydraulic Repair - Yesterday's Tractors

Ford 3000 Hydraulic Repair - Yesterday's Tractors www.yesterdaystractors.com

ford 3000 hydraulic diagram pump repair tractors yesterday wiring

[TW_4152] Ford 2000 Tractor Hydraulic Diagram Download Diagram

[TW_4152] Ford 2000 Tractor Hydraulic Diagram Download Diagram over.jebrp.mohammedshrine.org

Ford 600 Tractor Hydraulic Diagram - Hanenhuusholli

Ford 600 Tractor Hydraulic Diagram - Hanenhuusholli hanenhuusholli.blogspot.com

FORD 2000 3000 4000 2600 3600 4600 5600 6600 HYDRAULIC HYD FILTER

FORD 2000 3000 4000 2600 3600 4600 5600 6600 HYDRAULIC HYD FILTER www.ebay.com

filter 4600 ford hydraulic 3000 2000 hyd 2600 seals tractor diagram 5000 below replacement appx length

Ford 8000 Hydraulics - Yesterday's Tractors

Ford 8000 hydraulics - Yesterday's Tractors www.yesterdaystractors.com

hydraulics

[WT_2336] Ford 3600 Tractor Hydraulic Diagram Together With On 801 Ford

[WT_2336] Ford 3600 Tractor Hydraulic Diagram Together With On 801 Ford flui.viha.stica.aryon.hist.salv.mohammedshrine.org

diagram ford wiring tractor parts hydraulic 8n schema data together schematic

[TW_4152] Ford 2000 Tractor Hydraulic Diagram Download Diagram

[TW_4152] Ford 2000 Tractor Hydraulic Diagram Download Diagram over.jebrp.mohammedshrine.org

diagram shibaura schema

32 Ford 3000 Hydraulic Pump Diagram - Wiring Diagram List

32 Ford 3000 Hydraulic Pump Diagram - Wiring Diagram List skippingtheinbetween.blogspot.com

pump hydraulic ford 3000 diagram kit repair parts enlarge list yesterdaystractors

4000 Series Ford - Hydraulics - TractorShed.com

4000 Series Ford - Hydraulics - TractorShed.com www.tractorshed.com

hydraulic ford tractor diagram 4000 3000 filter parts hydraulics location 2000 series diesel transmission tractors wiring filters problems holland source

Viewing A Thread - Ford Tractor Hyd Questions- Bern Or Others?

Viewing a thread - Ford tractor hyd questions- Bern or others? talk.newagtalk.com

hyd

Steering 8n column 9n. Pump hydraulic ford 3000 diagram kit repair parts enlarge list yesterdaystractors. Ford 3000 hydraulic repair