ford ac wiring diagrams

- fordopedia.org. 16 Pictures about - fordopedia.org : Wiring questions - Ford Truck Enthusiasts Forums, Where can I find a wiring diagram on-line for my 1999 Ford E-350 Van? I and also Wiring questions - Ford Truck Enthusiasts Forums.

- Fordopedia.org

- fordopedia.org www.fordopedia.org

wiring cortina diagram ford hazard mk4 warning indicator taunus tc2 gl horn base indicators direction circuits diagrams fordopedia version source

Ford F150 Wiring Diagram #3 | 2014 Ford F150, 2006 Ford F150, Ford F150

Ford F150 Wiring Diagram #3 | 2014 ford f150, 2006 ford f150, Ford f150 www.pinterest.com

ignition rh u2022 f250 fantastic floraoflangkawi

Troubleshooting Procedure - 1995-2000 Ford Ranger 4WD Module

Troubleshooting Procedure - 1995-2000 Ford Ranger 4WD Module www.therangerstation.com

module 4wd ranger 4x4 2000 ford wiring diagrams troubleshooting 1995 transfer case procedure indicator station therangerstation articles

2006 Ford F150 Wiring Diagram Collection - Wiring Diagram Sample

2006 Ford F150 Wiring Diagram Collection - Wiring Diagram Sample faceitsalon.com

f150 justanswer harnes

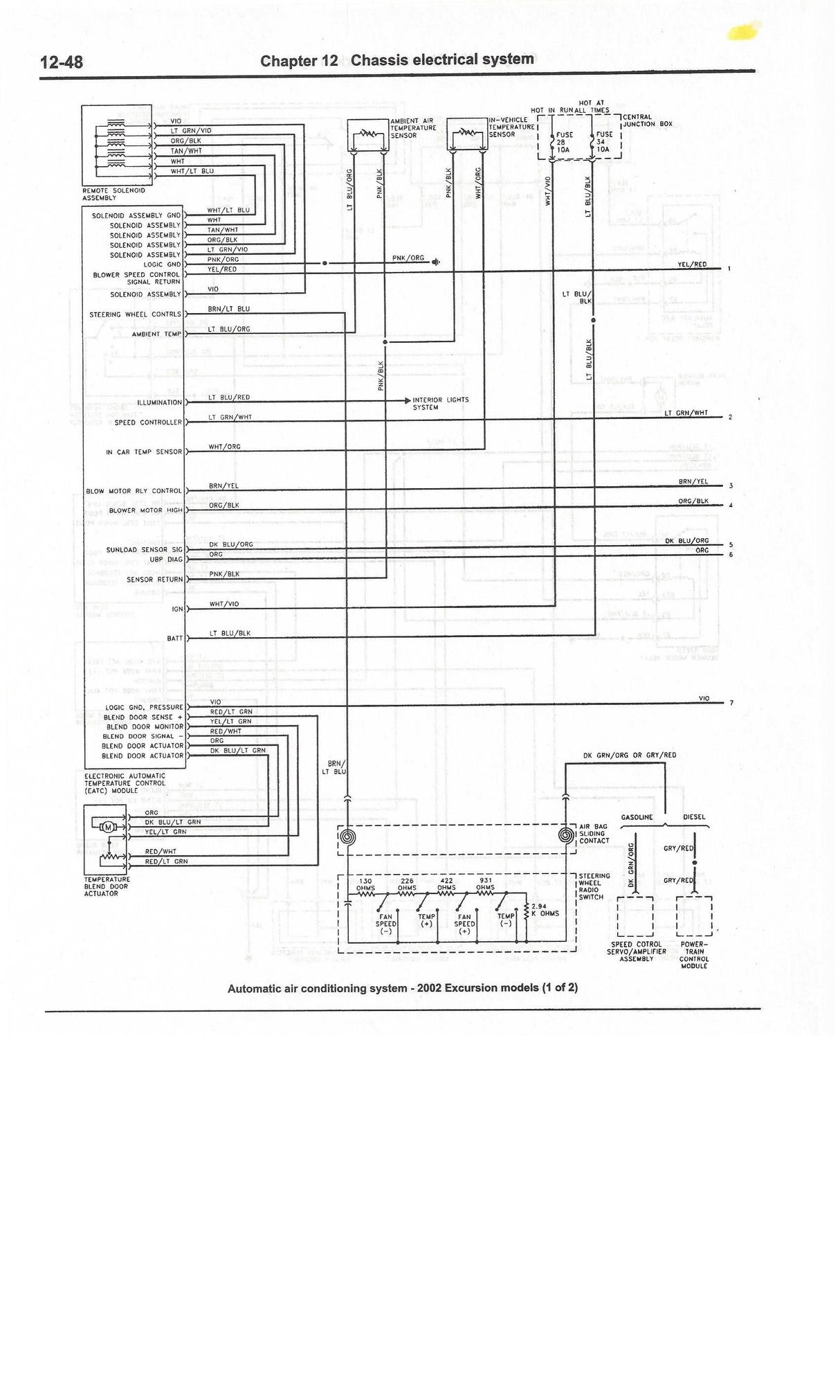
Complete Excursion Wiring Diagrams So Far - Ford Truck Enthusiasts

Complete Excursion Wiring Diagrams so far - Ford Truck Enthusiasts www.ford-trucks.com

wiring diagram ford 2000 f250 controller brake excursion cimg1 ibsrv diagrams far complete schematic 2001 truck conditioning br air

Wiring Schematic For A/c -heat On A 1984 F250 Diesel - Ford Truck

Wiring schematic for a/c -heat on a 1984 F250 Diesel - Ford Truck www.ford-trucks.com

56 Wiring - Which Is Correct? - Ford Truck Enthusiasts Forums

56 Wiring - Which is correct? - Ford Truck Enthusiasts Forums www.ford-trucks.com

solenoid wiring diagram ford volt 1952 f1 starter truck relay pole start wire help horn trucks correct terminal power alternator

Ignition Coil Wiring Diagram - Ford Truck Enthusiasts Forums

Ignition Coil Wiring Diagram - Ford Truck Enthusiasts Forums www.ford-trucks.com

diagram coil hazard wiring ford switch ignition 1966 harness box fuse wireing instrument truck forums trucks

Complete Excursion Wiring Diagrams So Far - Page 2 - Ford Truck

Complete Excursion Wiring Diagrams so far - Page 2 - Ford Truck www.ford-trucks.com

excursion wiring ford air diagrams far complete conditioning electronic

Inertia Starter Motor Wiring Diagramme

Inertia starter motor wiring diagramme www.thinglink.com

alternator perkins inertia

Wiring Diagrams - Ford Truck Enthusiasts Forums

Wiring Diagrams - Ford Truck Enthusiasts Forums www.ford-trucks.com

diagrams wiring

[OH_4674] Chevy 350 Engine Diagram 1983 Chevy I Need A Belt Download

[OH_4674] Chevy 350 Engine Diagram 1983 Chevy I Need A Belt Download phot.boapu.mohammedshrine.org

p30 alternator winnebago chieftain b2

Wiring Questions - Ford Truck Enthusiasts Forums

Wiring questions - Ford Truck Enthusiasts Forums www.ford-trucks.com

wiring ford diagram questions forums signal

Electrical Wiring : Ford F150 Wiring Harness Diagram 2005 Dodge Ram

Electrical Wiring : Ford F150 Wiring Harness Diagram 2005 Dodge Ram www.pinterest.com

wiring diagram 2005 radio ram dodge 1500 ford electrical

1998 Ford Ranger Ac Wiring Diagram - Schematics Online | Ford Ranger

1998 Ford Ranger Ac Wiring Diagram - Schematics Online | Ford ranger www.pinterest.com

ford ranger diagram engine motor wiring 1990 oil liter 1998 diagrams leak mercruiser justanswer temp speed gauge 2003 2002 gauges

Where Can I Find A Wiring Diagram On-line For My 1999 Ford E-350 Van? I

Where can I find a wiring diagram on-line for my 1999 Ford E-350 Van? I www.justanswer.com

ford wiring diagram 1999 van line ase somewhere short randall electrical

P30 alternator winnebago chieftain b2. - fordopedia.org. Where can i find a wiring diagram on-line for my 1999 ford e-350 van? i