ford charging f250 system89wiringdiagrams

charging diagram - Ford Truck Enthusiasts Forums. 11 Pictures about charging diagram - Ford Truck Enthusiasts Forums : 1990 ford f150 ..5.0L engine I'm looking for wiring schematic on, F250: looking for a good wiring diagram on the charging system and also 1990 ford f150 ..5.0L engine I'm looking for wiring schematic on.

Charging Diagram - Ford Truck Enthusiasts Forums

charging diagram - Ford Truck Enthusiasts Forums www.ford-trucks.com

ford wiring diagram charging alternator f100 f250 1971 solenoid system starter trucks light user wire truck 4x4 idiot distributor location

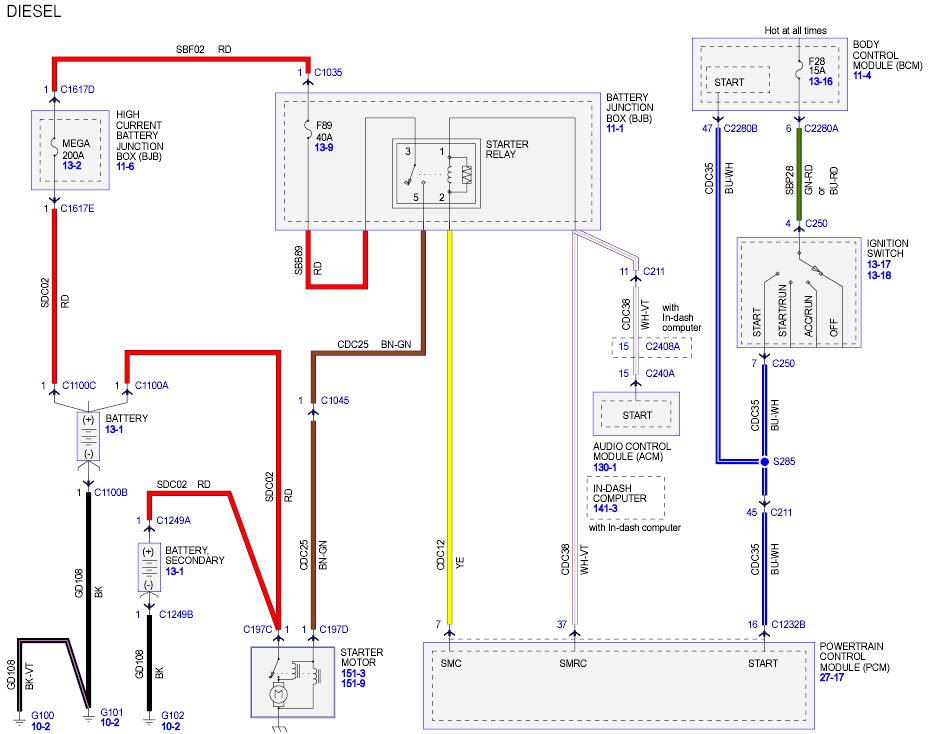
2016 6.7L Not Charging Right? - Ford Truck Enthusiasts Forums

2016 6.7L not charging right? - Ford Truck Enthusiasts Forums www.ford-trucks.com

charging 7l right ford

I Have A Ford F550 Super Duty 01 7.3 Diesel Battery Light Keeps

I have a ford f550 super duty 01 7.3 diesel battery light keeps www.justanswer.com

f550

2011 F250 Diesel - Dead Batteries - Charging Questions - Page 2 - Ford

2011 F250 Diesel - dead batteries - charging questions - Page 2 - Ford www.ford-trucks.com

f250 diesel dead batteries charging questions

My 97 F150 Will Not Start...we Replaced The Starter & Batt Cables, Now

My 97 F150 will not start...we replaced the starter & batt cables, now www.justanswer.com

ford f150 starter cables master batt poping glenn senior tech

F250: Looking For A Good Wiring Diagram On The Charging System

F250: looking for a good wiring diagram on the charging system www.justanswer.com

wiring diagram charging ford f250 system looking question ask own

Ford F250 Charging Circuit Wiring Diagram

Ford f250 charging circuit wiring diagram www.justanswer.com

charging diagram circuit alternator ford f250 wiring 2006 headlight fuse blows kicks case diesel thedieselstop a1

Ford 7700 Wiring Diagram / Ford 4100 4110 4600 4610 4630 Tractor

Ford 7700 Wiring Diagram / Ford 4100 4110 4600 4610 4630 Tractor cucv-wiring-diagram92.blogspot.com

Charging Problem 99 5.4 - Ford Truck Enthusiasts Forums

charging problem 99 5.4 - Ford Truck Enthusiasts Forums www.ford-trucks.com

1990 Ford F150 ..5.0L Engine I'm Looking For Wiring Schematic On

1990 ford f150 ..5.0L engine I'm looking for wiring schematic on www.justanswer.com

ford wiring 1990 f150 alternator charging system engine 3fc1 8aba schematic

Ford F-450 Won't Start And Appears To Have No Power After A Battery

Ford f-450 won't start and appears to have no power after a battery www.justanswer.com

ford start power cables question ask own

Ford 7700 wiring diagram / ford 4100 4110 4600 4610 4630 tractor. Ford f250 charging circuit wiring diagram. Ford start power cables question ask own